進口高平臺法蘭球閥是一種通過旋轉90度即可實現開啟和關閉的閥門。其設計使得介質在流經時受到的阻力最小,從而實現直通流道的高效性。平臺法蘭球閥適用于多種工作介質,包括水、溶劑、酸和天然氣等,甚至能應對惡劣條件下的介質,如氧氣、過氧化氫等
結構特點
1扭矩設計:平臺法蘭球閥采用彈性閥座與球芯彈性接觸密封,提供均勻的旋轉扭矩,手感潤滑,開啟無抱死。閥座切邊設計避免了高壓差狀態下球口嵌入閥座的問題
2密封性能:彈性閥座的預密封效果在閥門關閉后,上游閥座在介質壓力下形成自密封效果,確保密封耐久性
3壽命設計:彈性閥座的預壓縮行程長,磨損補償量大,確保閥座密封面的壓強上升,從而實現密封耐久性
4飛出和防泄漏設計:閥桿下凸設計防止飛出,閥桿上的O型圈有良好的自密封作用,閥桿填料V型設計達到無泄漏效果
執行標準及性能規范
|
公稱通徑 |
DN15-DN150、1/2"-6" |
|
公稱壓力 |
10K |
|
殼體強度試驗壓力 |
PN2.4 |
|
低壓氣密試驗壓力 |
0.8MPA |
|
適用介質 |
水、油、氣、硝酸類、醋酸類 |
|
設計及制造標準 |
ANSI B16.34、GB/T-12224-2015 |
|
試驗標準 |
API598、GB/T13927-2008、EN12516-3 |
|
螺紋標準 |
G、BSP、BSPT、DIN259 、DIN2999、ISO228 、NPT 、PT 、ISO7/1 |
主要配件材料表
|
閥體 |
A216(WCB)、A351 CF8、CF8M、CF3M、321、2205 |
|
閥蓋 |
A216(WCB)、A351 CF8、CF8M、CF3M、321、2205 |
|
球體 |
SUS304、SUS316 、SUS316L、SUS321、SUS2205 |
|
閥桿 |
SUS304、SUS316 、SUS316L、SUS321、SUS2205 |
|
閥座 |
聚四氟乙烯 PTFE、RPTFE、M111、M1600、M1700、PPL 、PCTFE、PEEK |
|
填料 |
聚四氟乙烯 PTFE、RPTFE、M111、M1600、M1700、PPL |

|
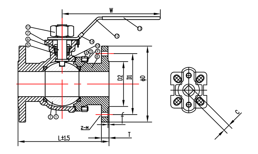
NO. |
零件名稱 |
材質 |
數量 |
|
1 |
閥體 |
CF8M/CF8 |
1 |
|
2 |
球 體 |
SS304/SS316 |
1 |
|
3 |
螺 栓 |
S201/S304 |
4(6) |
|
4 |
螺 母 |
S201/S304 |
6(12) |
|
5 |
填 料 |
PTFE/RPTFE |
1 |
|
6 |
閥 桿 |
SS304/SS316 |
1 |
|
7 |
壓 蓋 |
SS304/SS316 |
1 |
|
8 |
閥 蓋 |
CF8M/CF8 |
2 |
|
9 |
閥 座 |
PTFE/RPTFE |
2 |
|
10 |
止推墊圈 |
PTFE/RPTFE |
1 |
|
11 |
螺 母 |
S201/S304 |
1 |
|
12 |
手 柄 |
S201/S304 |
1 |
|
13 |
手柄套 |
PVC |
1 |
|
14 |
鎖 |
S201/S304 |
1 |